Nissan Juke Hybrid Owners Manual | 2025
3.7.2. Models with full-screen display

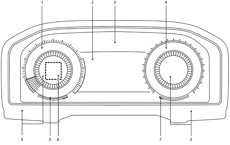
- 1.Power gauge ()
- 2.Vehicle information display ()
- 3.Warning and indicator lights ()
- 4.Speedometer ()
- 5.Battery charge indicator ()
- 6.Personal display ()
- 7.Fuel gauge ()

For cleaning, use a soft cloth, dampened with water. Never use a rough cloth, alcohol, benzine, thinner or any kind of solvent or paper towel with a chemical cleaning agent. They will scratch or cause discolouration to the lens.
Do not spray any liquid such as water on the meter lens. Spraying liquid may cause the system to malfunction.
Owners Manual